傳感及泵閥類

日本terada寺田泵陸上泵鑄鐵制
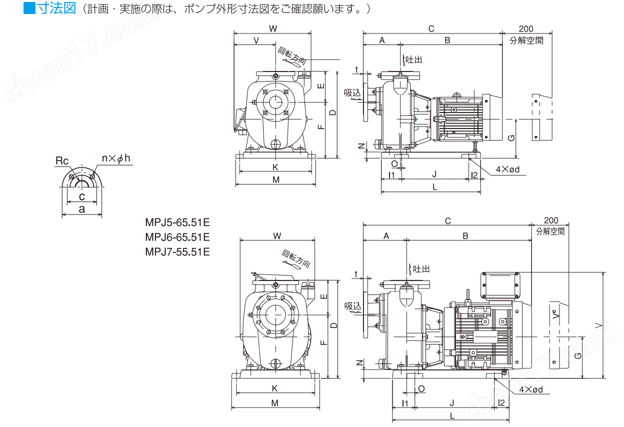
■特長
通過分析了水路的葉輪和殼體實現高效率,規格范圍也很寬,可適應廣泛的用途。
無需拆下配管即可分解·點橫·可以修理B.P.0(后拉出)結構。
采用耐雨的全閉外扇屋外型電動機。




湖南中村貿易有限公司代理銷售品牌: 日本TRUSCO中山、HOZAN寶山、VESSEL威威、SSD西西蒂、BONKOTE邦可、MALCOM馬康、METCAL奧科、PISCO碧鑠科、OHTAKE大武、OPK鷗琵凱、ELM易之美、HAKKO EIGHTRON八興、KURABO、New-Era新時代、德國KAISER+KRAFT皇加力、YODOGAWA淀川、SUIDEN瑞電、TECHNO DESIGN、AQUA安跨、ORION好利旺、韓國SP、FURUTO古藤、SOKUDOU速度、KANE凱恩、
日本ADA水分計/微量電子天平 日本KETTI水分計 日本愛森(EISEN)針規、日本三高(SANKO)膜厚計、理研(RIKEN)水平儀、日本佐藤(SATO)溫濕度計、TASCO溫濕度記錄儀、JPG(螺紋環規、塞規)、日本東日(TOHNICHI)、思達(CEDAR)扭力工具、日本勝利(VICTOR)鉗子、氣剪、SHINANO(信濃打磨機,拋光機)、SHOWA昭和振動計、日本中西(NSK)研磨工具、MINIMO研磨工具、日本愛光(AIKOH)、日本依夢達(IMADA)、SUCCESS成功推拉力計和引張力試驗機,日本大冢(OTSUKA)放大鏡、日本必佳(PEAK)放大鏡、日本得樂(TECLOCK)量具